欢迎进入天津市林鑫米达科技有限公司网站
全国服务热线
022-87362115
相关资讯
联系我们
地址:天津市南开区密云一支路3号
联系电话:022-87362115
传真:022-87362115
Q Q:
控制仪表
LXK-06A/B
产品简介
采用32位进口控制器运算,精度高,抗干扰强,多种信号输入,实现阻性和感性可靠控制。
产品介绍

     LXK-06A/B说明书

一、产品性能和特点:
◆4-20mA、0-10V、手动2W10K电位器信号兼容输入
◆32位进口控制器运算,精度高抗干扰超强
◆移相调压、定周波、变周波满足不同要求
◆采用进口元器件实现阻性负载和感性负载控制
◆采用脉冲变压器可靠触发,输出0-380V无死区
◆可控制三相三线、三相四线制

◆可控制负载AC220V、AC380V
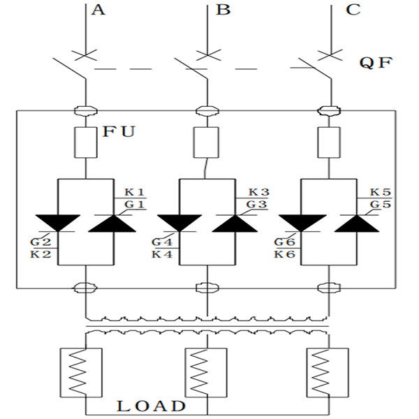
二、产品接线原理图:

阻性负载


感性负载


三、控制端接线和功能跳线图:

注:1.自动和手动共用模式按自动模式选信号
       2.出厂时默认信号为4-20mA(订定除外)

四、控制端接线说明:

1.模拟量电流(或电压)控制

2.模块量电流(或电压)控制+手动限制

3.手动电位器控制

4.自动模拟量电流(或电压)控制+手动电位器控制

5.装机测试(或检修试机)

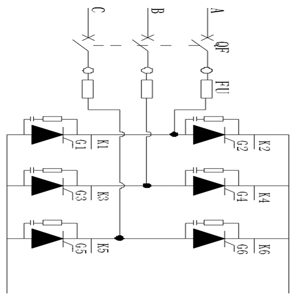
五、可控硅接线示意图:
1.MTC接线方式1 (全控,负载可以接三相四线)

2.MTC接线方式2 (全控,负载可以接三相四线)


3.MFC接线方式1 (TD型半控,负载可以接三相三线,不可接零)

4.MFC接线方式2 (DT型半控,负载可以接三相三线,不可接零)

六、负载类型跳线说明:
       需要打开外壳,调整N-0-Y跳线
             阻性负载   N - 0(默认设置)
        感性负载   Y - 0

七、指示灯说明:
电源  产品AC220V电源指示灯
♦故障  一直亮:负载三相无主电源(开机时三相输入电源没合闸时亮灯为正常)
                  闪烁亮:主电源缺相,可控硅进出电源接错(触发线K和G接错,接触不良,不会报错,可能导致三相不平衡或缺相运行)
运行  一直亮:开机负载无主电源输入
           
闪烁亮运行,随输入信号增大闪烁加快(表示控制信号输入正常)
八、产品外形尺寸图:


Copyright © 天津市林鑫米达科技有限公司 版权所有
全国服务电话:022-87362115   传真:022-87362115
公司地址:天津市南开区密云一支路3号